һ{ˮϵy
{ˮϵysˮϵysˮásyTȣˮϵyˮĩˡyTÛˮȣˮϵy


{ˮϵy
1ýˮϵy{ˮϵy
2sˮϵy
3ˮϵy


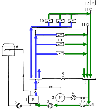
1-ˮˮCM 2-偠t 3-ˮ 4-ˮ 5-sˮ 6-s 7-ˮ8-ˮ 9-y 10-{O 11-ԄŚy 12-Ûˮ 13-yT
ļr DʾˮCM1Ƴ7ˮˮ3ˮ7Ȼɷˮͨ^ˮ֧ܷքe{g^{O10


{Oˮc՚⽛Qˮ12ַքeɸˮ֧ˮ8ˮCM1ٱ̎7˷ѭh
ůr 偠t2Ƴ60ˮˮ4ˮ7Ȼļˮ·ѭh偠t2±ӟ̎
ļͶůDQͨ^ˮCM偠tMˮϵyT]FDʾ


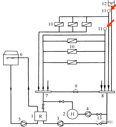
DÛˮ12ҪռˮӟrweÛˮֹϵyp©ˮÛˮ߀aˮͶ


ˮϵyйܵĸ̎eۿ՚ܵȴп՚rγ^“”ӰˮӡDԄŚy11ǞSrųϵyȵĿ՚Oõġ
ˮϵyOyT
ˮϵy߀ҪO±Ҫxb
{ˮϵyʽ
{ˮϵyĹݔԝM{O̎՚Ҫ{ˮϵyʽڷʽһкܶͣҊУ
]ʽϵy_ʽϵy
ɹϵyϵyĹϵy
ͬʽϵyͮʽϵy
ﶨϵy׃ϵy
һαϵyαϵyͻʽϵy
Cʲôl@Ӹ
Դٿ
֙Ոϵh

